天然氣流量表,天然氣流量計廠家
點擊次數:2476 發布時間:2021-01-08 06:35:44
天然氣流量表產品概述
LUGB系列智能渦街流量計是應用卡門渦街原理和現代電子技術設計而制造的一種流量計。在流體中垂直于流動方向插入非流線型漩渦發生體,當流體流過時,在其后兩側交替產生的漩渦列稱為卡門渦街。這些漩渦產生交替變化的壓力作用于壓電傳感器上產生交變電信號,該信號與流速成正比,經處理運算后即可求出工況體積流量。具有壓力損失小,量程范圍寬,精度高,結構簡單,無可動件,安裝維護量少,測量時幾乎不受介質密度、壓力、溫度、粘度等參數的影響。廣泛應用于電力、環保、水處理、冶金等行業。

天然氣流量表產品特點
1、結構簡單而牢固,無可動部件,可靠性高,長期運行十分可靠。
2、安裝簡單,維護十分方便。
3、檢測傳感器不直接接觸被測介質,性能穩定,壽命長。
4、輸出是與流量成正比的脈沖信號,無零點漂移,精度高。
5、測量范圍寬,量程比可達1:10。
6、壓力損失較小,運行費用低,更具節能意義。
7、渦街流量計在一定的雷諾數范圍內,輸出信號頻率不受流體物理性質和組份變化的影響,儀表系數僅與旋渦發生體的形狀和尺寸有關,測量流體體積流量時無需補償,調換配件后一般無需重新標定儀表系數。
8、應用范圍廣,蒸汽、氣體、液體的流量均可測量。
9、檢定周期為二年。
10、渦街流量計應用內徑范圍為25-300mm(滿管式),插入式渦街流量計應用內徑范圍為350-1200mm)。
11、滿管式測量液體精度為1%,測量蒸汽和氣體精度為1.5%,插入式測量液體精度為2%,測量蒸汽和氣體精度為2.5%。
12、被測介質溫度為-20~150℃、-40~250℃、+100~350℃(僅管式)。
13、輸出信號為三線制電壓脈沖,三線制4-20mA、二線制4-20mA。

天然氣流量表主要技術指標
天然氣流量表安裝尺寸

天然氣流量表的配線設計
一. 輸出頻率信號的三線制渦街流量計配線設計
輸出頻率信號的三線制流量傳感器采用DC24V或DC12V電源供電,一般通過三芯屏蔽電纜線(RWP3×0.5mm)與顯示儀表或計算機相連,屏蔽層應可靠地接到放大器殼的接地螺絲上。屏蔽電纜線的選擇應適合現場環境要求,另外屏蔽電纜線要與其它強功率電力線分離,不能平行走線。傳感器端子接線見圖

二.輸出標準4~20mA電流信號的兩線制渦街流量計配線設計
輸出標準4~20mA電流信號的兩線制變送器采用DC24V電源供電,一般通過兩芯屏蔽電纜線(RWP3×0.5mm)與顯示儀表或計算機相連,屏蔽層應可靠地接到放大器殼的接地螺絲上。屏蔽電纜線的選擇應適合現場環境要求,另外屏蔽電纜線要與其它強功率電力線分離,不能平行走線。變送器端子接線見圖

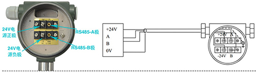
三.帶RS-485通訊接口功能的渦街流量計配線設計
帶RS-485通訊功能的渦街流量計采用DC24V電源供電,與其它設備之間采用四線制傳輸方式。儀表端子接線見圖

天然氣流量表的安裝
1、傳感器可安裝在室內,也可安裝在室外。環境條件要符合要求。
2、傳感器應安裝在水平、垂直或傾斜(流體的流向自下而上)的與其公稱通徑相應的管道上。
3、傳感器應避免安裝在有機械振動的管道上。當振動不可避免時,應考慮在距傳感器前后約2DN處的直管段上加固定支撐架。
4、傳感器應避免安裝在有較強電磁場干擾、有熱輻射、有腐蝕性氣體、空間小和維修不方便的場所。
5、被測介質含有較多雜質時,應在傳感器上游直管段要求的長度以外加裝過濾器。
6、傳感器的上、下游應配置一定長度的直管段,直管段的內壁應清潔、光滑,無明顯凸凹、積垢和起皮等現象。其長度應符合圖二的要求。安裝液體傳感器的附近管道內,應充滿被測液體。
7、直管段內徑盡可能與傳感器通徑一致,若不能一致,應采用比傳感器通徑略大的管徑,誤差要≤3%并不超過5mm。

天然氣流量表的工作原理
渦街流量計是由設計在流場中的旋渦發生體、檢測探頭及相應的電子線路等組成。當流體流經旋渦發生體時,它的兩側就形成了交替變化的兩排旋渦,這種旋渦被稱為卡門渦街。斯特羅哈爾在卡門渦街理論的基礎上又提出了卡門渦街的頻率與流體的流速成正比,并給出了頻率與流速的關系式:
f = St × V/d
式中:f 渦街發生頻率 (Hz)
V旋渦發生體兩側的平均流速(m/s )
St 斯特羅哈爾系數(常數)

這些交替變化的旋渦就形成了一系列交替變化的負壓力,該壓力作用在檢測探頭上,便產生一系列交變電信號,經過前置放大器轉換、整形、放大處理后,輸出與旋渦同步成正比的脈沖頻率信號或標準信號。
在流體管道中,垂直插入—個柱形阻擋物,在其后部(相對于流體流向)兩側就會交替地產生旋渦。隨著流體向下游流動形成旋渦列,我們稱之為卡門渦街。我們把產生旋渦的柱形阻擋物定義為旋渦發生體在一定條件下旋渦的分離頻率與流體的流速成線性關系。因而,只要檢測出旋渦分離的頻率,即可計算出管道內流體的流速或流量。
天然氣流量表產品型譜
天然氣流量表,天然氣流量計廠家
LUGB系列智能渦街流量計是應用卡門渦街原理和現代電子技術設計而制造的一種流量計。在流體中垂直于流動方向插入非流線型漩渦發生體,當流體流過時,在其后兩側交替產生的漩渦列稱為卡門渦街。這些漩渦產生交替變化的壓力作用于壓電傳感器上產生交變電信號,該信號與流速成正比,經處理運算后即可求出工況體積流量。具有壓力損失小,量程范圍寬,精度高,結構簡單,無可動件,安裝維護量少,測量時幾乎不受介質密度、壓力、溫度、粘度等參數的影響。廣泛應用于電力、環保、水處理、冶金等行業。

天然氣流量表產品特點
1、結構簡單而牢固,無可動部件,可靠性高,長期運行十分可靠。
2、安裝簡單,維護十分方便。
3、檢測傳感器不直接接觸被測介質,性能穩定,壽命長。
4、輸出是與流量成正比的脈沖信號,無零點漂移,精度高。
5、測量范圍寬,量程比可達1:10。
6、壓力損失較小,運行費用低,更具節能意義。
7、渦街流量計在一定的雷諾數范圍內,輸出信號頻率不受流體物理性質和組份變化的影響,儀表系數僅與旋渦發生體的形狀和尺寸有關,測量流體體積流量時無需補償,調換配件后一般無需重新標定儀表系數。
8、應用范圍廣,蒸汽、氣體、液體的流量均可測量。
9、檢定周期為二年。
10、渦街流量計應用內徑范圍為25-300mm(滿管式),插入式渦街流量計應用內徑范圍為350-1200mm)。
11、滿管式測量液體精度為1%,測量蒸汽和氣體精度為1.5%,插入式測量液體精度為2%,測量蒸汽和氣體精度為2.5%。
12、被測介質溫度為-20~150℃、-40~250℃、+100~350℃(僅管式)。
13、輸出信號為三線制電壓脈沖,三線制4-20mA、二線制4-20mA。

天然氣流量表主要技術指標
| 公稱通徑(mm) | 25,40,50,65,80,100,125,150,200,250,300,(300~1000插入式) |
| 公稱壓力(MPa) | DN25-DN200 4.0(>4.0協議供貨),DN250-DN300 1.6(>1.6協議供貨) |
| 介質溫度(℃) | 壓電式:-40~260,-40~320;電容式: -40~300, -40~400,-40~450(協議訂貨) |
| 本體材料 | 1Cr18Ni9Ti,(其它材料協議供貨) |
| 允許振動加速度 | 壓電式:0.2g 電容式:1.0~2.0g |
| 精確度 | ±1%R,±1.5%R,±1FS;插入式:±2.5%R,±2.5%FS |
| 范圍度 | 1:6~1:30 |
| 供電電壓 | 傳感器:+12V DC,+24V DC;變送器:+12V DC ,+24V DC;電池供電型:3.6V電池 |
| 輸出信號 | 方波脈沖(不包括電池供電型):高電平≥5V,低電平≤1V;電流:4~20mA |
| 壓力損失系數 | 符合JB/T9249標準 Cd≤2.4 |
| 防爆標志 | 本安型:ExdⅡia CT2-CT5隔爆型:ExdⅡCT2-CT5 |
| 防護等級 | 普通型IP65 潛水型 IP68 |
| 環境條件 | 溫度-20℃~55℃,相對濕度5%~90%,大氣壓力86~106kPa |
| 適用介質 | 氣體、液體、蒸汽 |
| 傳輸距離 | 三線制脈沖輸出型:≤300m,兩線制標準電流輸出型 (4~20mA):負載電阻≤750Ω |
天然氣流量表安裝尺寸

天然氣流量表的配線設計
一. 輸出頻率信號的三線制渦街流量計配線設計
輸出頻率信號的三線制流量傳感器采用DC24V或DC12V電源供電,一般通過三芯屏蔽電纜線(RWP3×0.5mm)與顯示儀表或計算機相連,屏蔽層應可靠地接到放大器殼的接地螺絲上。屏蔽電纜線的選擇應適合現場環境要求,另外屏蔽電纜線要與其它強功率電力線分離,不能平行走線。傳感器端子接線見圖

二.輸出標準4~20mA電流信號的兩線制渦街流量計配線設計
輸出標準4~20mA電流信號的兩線制變送器采用DC24V電源供電,一般通過兩芯屏蔽電纜線(RWP3×0.5mm)與顯示儀表或計算機相連,屏蔽層應可靠地接到放大器殼的接地螺絲上。屏蔽電纜線的選擇應適合現場環境要求,另外屏蔽電纜線要與其它強功率電力線分離,不能平行走線。變送器端子接線見圖

三.帶RS-485通訊接口功能的渦街流量計配線設計
帶RS-485通訊功能的渦街流量計采用DC24V電源供電,與其它設備之間采用四線制傳輸方式。儀表端子接線見圖

天然氣流量表的安裝
1、傳感器可安裝在室內,也可安裝在室外。環境條件要符合要求。
2、傳感器應安裝在水平、垂直或傾斜(流體的流向自下而上)的與其公稱通徑相應的管道上。
3、傳感器應避免安裝在有機械振動的管道上。當振動不可避免時,應考慮在距傳感器前后約2DN處的直管段上加固定支撐架。
4、傳感器應避免安裝在有較強電磁場干擾、有熱輻射、有腐蝕性氣體、空間小和維修不方便的場所。
5、被測介質含有較多雜質時,應在傳感器上游直管段要求的長度以外加裝過濾器。
6、傳感器的上、下游應配置一定長度的直管段,直管段的內壁應清潔、光滑,無明顯凸凹、積垢和起皮等現象。其長度應符合圖二的要求。安裝液體傳感器的附近管道內,應充滿被測液體。
7、直管段內徑盡可能與傳感器通徑一致,若不能一致,應采用比傳感器通徑略大的管徑,誤差要≤3%并不超過5mm。

天然氣流量表的工作原理
渦街流量計是由設計在流場中的旋渦發生體、檢測探頭及相應的電子線路等組成。當流體流經旋渦發生體時,它的兩側就形成了交替變化的兩排旋渦,這種旋渦被稱為卡門渦街。斯特羅哈爾在卡門渦街理論的基礎上又提出了卡門渦街的頻率與流體的流速成正比,并給出了頻率與流速的關系式:
f = St × V/d
式中:f 渦街發生頻率 (Hz)
V旋渦發生體兩側的平均流速(m/s )
St 斯特羅哈爾系數(常數)

這些交替變化的旋渦就形成了一系列交替變化的負壓力,該壓力作用在檢測探頭上,便產生一系列交變電信號,經過前置放大器轉換、整形、放大處理后,輸出與旋渦同步成正比的脈沖頻率信號或標準信號。
在流體管道中,垂直插入—個柱形阻擋物,在其后部(相對于流體流向)兩側就會交替地產生旋渦。隨著流體向下游流動形成旋渦列,我們稱之為卡門渦街。我們把產生旋渦的柱形阻擋物定義為旋渦發生體在一定條件下旋渦的分離頻率與流體的流速成線性關系。因而,只要檢測出旋渦分離的頻率,即可計算出管道內流體的流速或流量。
天然氣流量表產品型譜
| 型號 | 說明 | ||||||||
| KM-LUGB | 標準渦街流量計 | ||||||||
| 安裝方式 | 2 | 法蘭卡裝式 | |||||||
| 3 | 法蘭連接式 | ||||||||
| 4 | 管道對焊式 | ||||||||
| 5 | 螺紋連接式 | ||||||||
| 6 | 卡箍連接式 | ||||||||
| 7 | 固定插入式 | ||||||||
| 8 | 球閥插入式 | ||||||||
| 測量介質 | 2 | 液體 | |||||||
| 3 | 氣體 | ||||||||
| 4 | 蒸汽 | ||||||||
| 公稱通徑 | -X |
流量計公稱通徑用2-4位阿拉伯數字表示 例如:DN200用200表示 |
|||||||
| 輸出信號 | -2 | 脈沖頻率信號無顯示 | |||||||
| -3 | 脈沖頻率信號帶顯示 | ||||||||
| -4 | 電池供電帶顯示 | ||||||||
| -5 | 兩線制4~20mA信號無顯示 | ||||||||
| -6 | 兩線制4~20mA信號帶顯示 | ||||||||
| -7 | 兩線制4~20mA信號帶hart通訊 | ||||||||
| -8 | 三線制4~20mA信號帶顯示 | ||||||||
| -9 | 三線制4~20mA信號帶RS485通訊 | ||||||||
| 溫度規格 | 2 | -50~50℃(僅電容式) | |||||||
| 3 | -20~50℃ | ||||||||
| 4 | 50~250℃ | ||||||||
| 5 | 50~320℃ | ||||||||
| 6 | 50~500℃(僅電容式) | ||||||||
| 壓力規格 | 2 | 1.6MPa | |||||||
| 3 | 2.5MPa | ||||||||
| 4 | 4.0MPa | ||||||||
| 5 | 更高壓力(*高32MPa) | ||||||||
| 補償類型 | -P | 一體化壓力補償 | |||||||
| -T | 一體化溫度補償 | ||||||||
| -PT | 一體化溫壓補償 | ||||||||
| 特殊類型 | F | 分體式 | |||||||
| Q | 潛水型 | ||||||||
| S | 縮徑型 | ||||||||
| N | 耐腐蝕型 | ||||||||
| G | 隔爆型 | ||||||||
| B | 本案防爆型 | ||||||||


